币游

自动化生产线
天下效劳热线:

咨询在线客服

币游·国际(中国游)官方网站

微信效劳号

币游·国际(中国游)官方网站中文网站 币游·国际(中国游)官方网站英文网站 币游·国际(中国游)官方网站OA 入口
回到首页 产品中心 咨询热线: 点击咨询客服 回到顶部

自动化生产线

自动化生产线也叫自动化流水线...

联系币游

币游

地点:郑州市黄杨街41号币游工业园

热线电话:

移动电话:kehuikeji001

主梁、端梁(臂架、行车)机械人焊接生产线

主梁、端梁(臂架、行车)机械人焊接生产线

币游, ,,,,自1996年建设以来, ,,,,20余年专业设计、研发、生产机械人焊接装备。。。。该产品线为非标定制产品, ,,,,可凭证客户现实需求设计

效劳热线:

        币游, ,,,,自1996年建设以来, ,,,,20余年专业设计、研发、生产机械人焊接装备。。。。该产品线为非标定制产品, ,,,,可凭证客户现实需求设计


    一、总体功效说明

        主梁机械人焊接生产线主要以桥式起重吨位5~50t, ,,,,跨度10.5~28.5m的主梁为生产工具, ,,,,生产线最大形状尺寸不凌驾13m(宽) ×270m(长)

    主要包括9个工位:

    1、上盖板与筋板组焊工位

    2、腹板与角钢组焊工位

    3、π形梁组对工位

    4、π形梁内缝焊接工位一

    5、π形梁内缝焊接工位二

    6、π形梁与下盖板组对工位

    7、梁盒外缝焊接工位一  

    8、梁盒外缝焊接工位二

    9、梁盒参数检测工位以及工位之间的物流系统和生产线信息治理系统;;



       上盖板与筋板料框从料区吊运至上盖板与筋板组焊工位、腹板与角钢料框从料区吊运至腹板与角钢组对工位、下盖板从料区吊运至π形梁与下盖板组对工位有车间起重机(客供)加入外, ,,,,其余工位及工位之间的流转无车间起重机加入。。。。整体生产线以单件流的形式组织生产, ,,,,各工位节奏不大于1小时(以QD20t22.5m主梁为测算及验收依据)。。。。



    二、生产线工艺流程

    币游·国际(中国游)官方网站

    币游·国际(中国游)官方网站



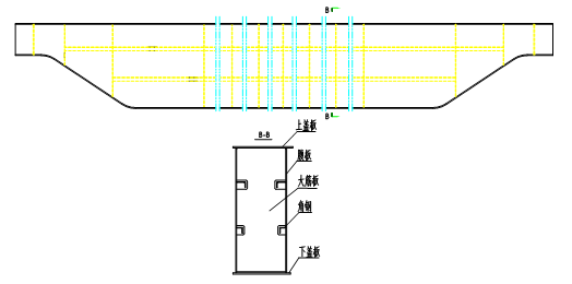
    三、主梁结构形式。。。。

    币游·国际(中国游)官方网站



       起重机主梁主要由1个上盖板、1个下盖板、2个腹板及若干筋板组成。。。。其中大部分主梁腹板上均有避免变形和增大刚性的纵向角钢。。。。



    四、生产线备料要领与精度

    1、筋板接纳等离子数控整体下料, ,,,,尺寸误差≤1mm, ,,,,笔直误差≤H/1000(H为大筋板高度), ,,,,平面度≤2mm(平面度超差可以接纳矫平机举行矫正)。。。。

    2、腹板使用卷板开卷校平后接纳等离子数控整体下料, ,,,,包管统一根主梁两块腹板拱度的一致性。。。。

    3、厚度≤16mm的盖板接纳卷板开卷校平后等离子数控整体下料, ,,,,厚度>16mm的盖板接纳中厚板先拼长后使用直条机火焰切割下料, ,,,,盖板宽度误差≤2mm, ,,,,每10000mm长的盖板下料爆发的水平旁弯≤5mm;;

    4、角钢非整根使用时接纳锯切下料, ,,,,整根使用时不再锯切修边。。。。

    5、生产线总体设置

    序号

    功效

    1

    上盖板与筋板组焊工位

    2

    腹板与角钢组焊工位

    3

    π形梁组对工位

    4

    π形梁内缝焊接工位一

    5

    π形梁内缝焊接工位二

    6

    π形梁与下盖板组对工位

    7

    梁盒外缝焊接工位一

    8

    梁盒外缝焊接工位二

    9

    梁盒参数检测工位

    10

    物流系统

    11

    生产线信息治理系统


    6、生产线总体手艺指标


    序号

    名    称

    要    求

    1

    产线运送线作业高度

    700-900mm

    2

    单根梁制作周期

    ≤8小时

    3

    单根梁用工数目

    ≤10人

    4

    6轴机械人数目

    21套

    5

    焊枪冷却方法

    水冷

    6

    焊接寻位方法

    接触及电弧传感器

    7

    焊接跟踪方法

    电弧跟踪





    五、产线结构图

    币游·国际(中国游)官方网站



    六、工艺形貌

    币游·国际(中国游)官方网站



        产线结构长X宽(270米X13米), ,,,,产线节奏1h/件, ,,,,整线主运送物流接纳动力滚筒线运送方法, ,,,,角钢的运送方法接纳双层倍速链运送方法,梁盒外缝焊接二区到检测工位接纳RGV字母车, ,,,,整线各工位与各工位之间流转及事情为全自动的, ,,,,整线所有装备的结构都在旅行通道的一侧, ,,,,旅行通道设置有清静光栅及清静围栏, ,,,,整线安排接纳一子型安排, ,,,,使整线雅观大方。。。。

        主梁全自动焊接生产线包括:上盖板及筋板组焊工位、腹板与角钢拼焊工位、π型梁组对工位、内缝焊接工位一、内缝焊接工位二、梁盒组对工位、外缝焊接工位一、外缝焊接工位二、检测工位、信息化系统、物流系统及智能控制系统组成



    七、产线设计亮点

    1、整体结构雅观大方, ,,,,接纳一字型结构, ,,,,工位间设置磨练通道, ,,,,事情位都集中在线体的一侧, ,,,,另一侧设置旅行通道。。。。

    2、整线人工加入部位思量人机连系性。。。。

    3、梁盒组对工位上加有预拱装置、防海浪变形装置、及筋板扶正装置包管组对乐成率及焊接及格率。。。。

    4、内缝焊接工位机械人加上联动外部轴, ,,,,使机械人可达无死点。。。。

    5、各工位之间为全自动, ,,,,无需人工加入, ,,,,自动化水平高。。。。

    6、具有快速参数化编程系统, ,,,,可以快速切换产品。。。。

    7、具有生产信息治理系统, ,,,,可对数据举行处置惩罚及存储, ,,,,留有与MES对接的接口, ,,,,为客户后期上MES做准备。。。。

    8、整线物流接纳智能RGV子母车及滚筒线举行转运, ,,,,效率高, ,,,,控制简朴等。。。。

    9、角钢运送系统, ,,,,接纳双层倍速链的方法, ,,,,可以实现角钢工装板上下无限循环作业, ,,,,镌汰人工上件次数, ,,,,节约人力, ,,,,自动化水平高。。。。

    10、产线所有上料位置都集中在上盖板与筋板拼焊位置, ,,,,便于人工集中操作, ,,,,提高产线整体效率。。。。


    八、使用情形:

    1、情形温度:-15~+45℃, ,,,,最大日温差:25℃

    2、年平均相对湿度:~59%, ,,,,最高月平均相对湿度:95%(+25℃)

    3、电源:切合中国制式, ,,,,供电电压:380V±15%, ,,,,供电频率:

    50Hz±2%

    4、压缩空气:自备空压机自产压缩空气, ,,,,0.6±0.1MPa

  • *
  • *
  • *

联系币游



电话:

手机:kehuikeji001

网站备案号: 豫ICP备18029470号-1

邮箱:kehui@m.tjhengyou.com

地点:郑州市黄杨街41号币游工业园

二维码



币游·国际(中国游)官方网站

关注微信公众号

【网站地图】【sitemap】